Help

资料 价格
供货 现货

 ICminer>Package Catalog:
  我的需求    收到报价    浏览热卖  |   我的热卖    库存管理    收到询价    需求浏览    我的报价  |   我的资料    退出 

A

B

C

D

E

F

G

H

I

J

L

P

Q

R

S

T

U

V

X

Z

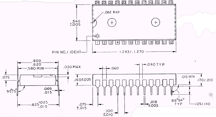
DIP
Dual Inline Package
详细规格
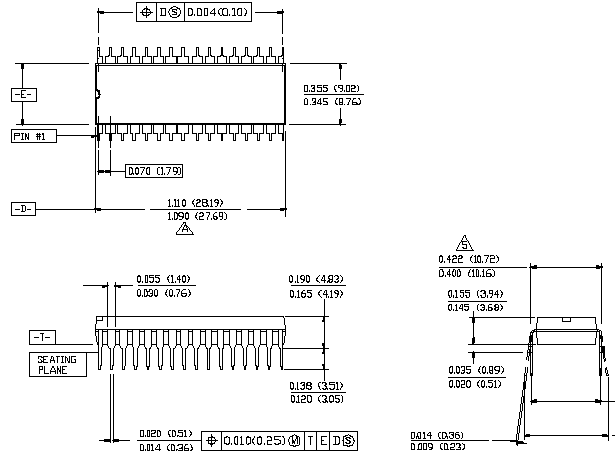
DIP-tab
Dual Inline Package with Metal Heatsink
DIP14M3_Dimension DIP14M3_Dimension

详细规格
DIP16M3 DIP16M3

详细规格
DIP18M3 DIP18M3

详细规格
DIP20M3 DIP20M3

详细规格
DIP22M4 DIP22M4

详细规格
DIP24M3 DIP24M3

详细规格
DIP24M6 DIP24M6

详细规格
DIP28M6 DIP28M6

详细规格
DIP2M DIP2M

详细规格
DIP32M6 DIP32M6

详细规格
DIP40M6 DIP40M6

详细规格
DIP48M6 DIP48M6

详细规格
DIP8M3 DIP8M3

详细规格
Dip_Tantalum_2 Dip_Tantalum_2

详细规格
Dip_Tantalum_5mm Dip_Tantalum_5mm

详细规格
FDIP

MDIP 16Le

详细规格
MDIP 16Lg

详细规格
MDIP 18L

详细规格
MDIP 18L

详细规格
MDIP 20La

详细规格
MDIP 20Lb

详细规格
MDIP 22L

详细规格
MDIP 24La

详细规格
MDIP 24Lc

详细规格
MDIP 24Ld

详细规格
MDIP 24Le

详细规格
MDIP 28Le

详细规格
MDIP 28Lf

详细规格
MDIP 32L

详细规格
MDIP 48L

详细规格
MDIP 8Le

详细规格
PCDIP

PDIP

PSDIP

SDIP

SDIP24M3 SDIP24M3

详细规格
SDIP28M4 SDIP28M4

详细规格
SDIP32M4 SDIP32M4

详细规格
SDIP42M6 SDIP42M6

详细规格
TO250-A[JEDEC] TO250-A[JEDEC]
Registration - Dual-In-Line (DIP) Family, .300 inch Row Spacing, 4 Lead. Item 120.
详细规格






Total found 43 in 1348


||||




盛明零件网 ICminer.com   服务及价格   银行资料   新用户注册     Tel:020-86000701   Fax:020-86000702          设为首页   收藏   工具条
    msn@icminer.com      QQ:525463 点击这里与我们联系
如果发信息后没有回应
请先加为好友
然后再点击   

第三方中介

Copyright ©1999-2019 ICminer, All rights reserved    广州易隆资讯科技有限公司    


粤ICP备05053605号